一、用途
DZB系列閥門電動裝置是一種多回轉閥門電動裝置,是電動閥門的驅動裝置,用以控制閥門的開啟和關閉。可直接使用于閥板作直線運動的閥門,如閘閥、節流閥、截止閥、隔膜閥等。也可與WJ型減速器疊加組合而成部分回轉型閥門電動裝置,從而又可使用于作部分回轉運動的閥門,如球閥、蝶閥、風門等。它可準確地按控制指令使閥門動作,達到對閥門的開啟和關閉的控制,是對各類閥門實現遠控、集控和自動控制的必不可少的最理想的閥門電動驅動裝置。本系列產品不僅可用于電廠、電站,還可用于石化、冶金、公用事業等。
二、特點
1、DZB系列閥門電動裝置是我公司通過對國內外同類產品的分析研究,揚長避短博取眾家之長而開發出的新一代產品。具有設計、系列齊全、能充分滿足電站、石化、冶金、礦山等行業自動化控制的要求。
2、結構合理、通用性強,可適應各種配套功能的需要。
3、功能齊全、性能可靠,控制系統,能提供二個以上的中途信號(即開關向中途信號)。加裝電機控制盒,可實現機電一體化,又可實現就地操作,既方便安裝和使用,也可節省費用。
4、具有防塵、防水功能 ,其防護等級為IP67,應用戶要求亦可提供防護等級為IP68的電動裝置。
5、采用半自動手、電動切換機構,結構簡單、工作可靠,操作方便。
6、控制精度高,調整方便。
7、裝有相位鑒別器
相位鑒別器具有三相缺相(錯相)保護作用,它能監控三相電源預防錯誤相位旋轉和缺相。若接好電源及控制信號線后,操縱電動裝置無動作,說明相位鑒別器已起作用,只需切斷電源將三相電源(380V)的任意兩根線互換接,電動裝置則能正常工作,此時相序即已認定。
三、技術條件
| 1、電源 |
三相AC380V/50Hz |
|
2、工作制式 |
短時工作制 15min |
|
3、防護等級 |
IP67 IP68(特殊訂貨) |
|
4、環境溫度 |
-20℃~+80℃ |
|
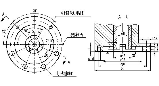
5、連接尺寸 |
按JB2920執行 |
四、DZB系列閥門電動裝置主要技術性能參數表

五、電氣控制部分
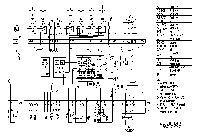
電動裝置接線時,應按銘牌接線圖接線,控制和動力電纜應分別接線。為保證防護等級,在電纜進口處應使用帶密封墊的穿線接頭,接線完畢后應蓋上接線盒并緊固。
[應注意:電動裝置停止運行后,開關及信號部分上的空間防結露加熱器HZ帶電!
按JB2920連接型式及尺寸執行


注:本樣本數據有可能因產品的改進設計或更新換代而發生變化,具體情況您可向公司銷售人員咨詢確認。


